Published:2011/8/25 7:42:00 Author:Sue | Keyword: Oscillating Circuit | From:SeekIC

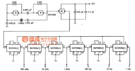
The picture shows the oscillating circuit which is composed of SN7490. In the circuit, the oscillating circuit uses TTL GATE circuit with a oscillate frequency of 1MHZ. When the six frequency dividing circuits SN7490 are connected in parallel, they can divide frequency and generate a frequency signal of 1HZ. The circuit's A,B,C,D,E,F terminals will output signals of frequency of 100kHZ, 10kHZ, 1kHZ, 100HZ, 10HZ and 1HZ.
Reprinted Url Of This Article:
http://www.seekic.com/circuit_diagram/Automotive_Circuit/Oscillating_Circuit_Composed_of_SN7490.html
Print this Page | Comments | Reading(3)
Code: