Published:2011/4/21 19:56:00 Author:Sue | Keyword: PLL, Pulse, Generator, 74HC4060, TC9122P | From:SeekIC

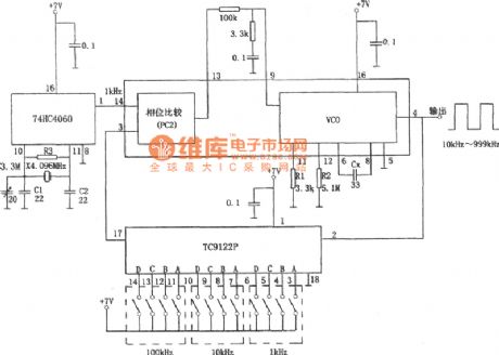
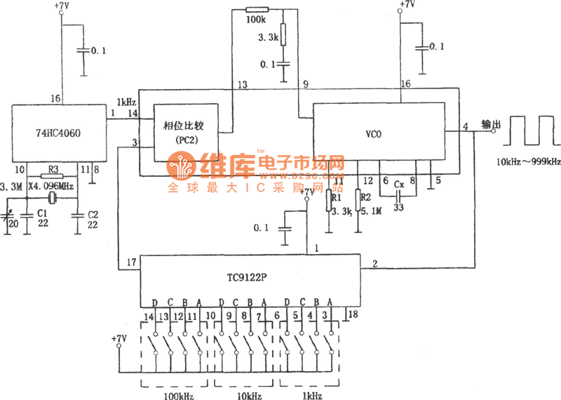
As shown in the figure is Phase-Locked Loop(PLL) pulse generating circuit. When PLL divides crystal oscillator, the 1kHz signal gained can be used as the step frequency,and there will be pulse waveforms of 10kHz 999kHz at the end of output. The 74HC4060 integrated block is an integrated chip with NOR gates and 1/2n dividing circuit inside. And the NOR gate and crystal oscillator with a frequency of 4.096MHz will constitute an oscillatory circuit, while dividing circuit gets the basic frequency signal of 1kHz by dividing it. TC9122P is a high-speed programmable counter whose dividing frequency is decided by code BCD. The program-based range of divding frequency ratio is 8-999,and this circuit works on the range of 10-999. Inside 74HC4060 there are 3 kinds of phase comparators, one of which,comarators PC2, controls the feedback by comparing the output frequency with the basic frequency. VC0's oscillator frequency is decided by Cx, R1 andR2. The minimum andmaximum frequencies are: fmin=1/R2(Cx+32pF) , fmax=1/R1(Cx+32pF)
Reprinted Url Of This Article:
http://www.seekic.com/circuit_diagram/Automotive_Circuit/PLL_Pulse_Generator74HC4060-TC9122P_Circuit.html
Print this Page | Comments | Reading(3)
Code: