Published:2011/4/22 0:23:00 Author:Joyce | Keyword: Precise, Bridge, Isolation Amplifier | From:SeekIC

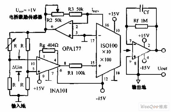
Precise bridge isolation amplifier circuit is shown in the chart below.0 ~10mV unipolarity signal outputed by bridge would be enlarged by 100 times by high precision instrument amplifier INA101 ,and then be enlargend in a unipolarity isolated way by optical coupling linear isolation amplifier ISO100 . Output of INA101 must be less than the negative value of minus 2mV. The gain of isolation amplifier is 10 ,and the total gain is 1000. Both sides of the amplifier are supplied with two groups of (plus or minus) 15V power.
Reprinted Url Of This Article:
http://www.seekic.com/circuit_diagram/Automotive_Circuit/Precise_Bridge_Isolation_Amplifier_Circuit.html
Print this Page | Comments | Reading(3)
Code: