Published:2011/7/18 2:51:00 Author:Sue | Keyword: Precise, Bridge, Sensor Amplifier | From:SeekIC

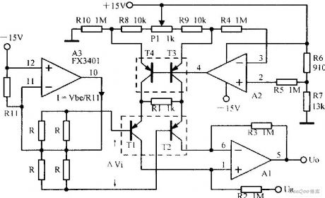
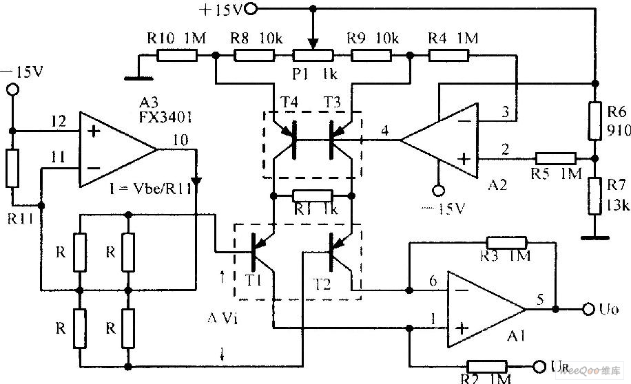
The picture shows the precise bridge sensor amplifier circuit.
Reprinted Url Of This Article:
http://www.seekic.com/circuit_diagram/Automotive_Circuit/Precise_Bridge_Sensor_Amplifier_Circuit.html
Print this Page | Comments | Reading(3)
Code: