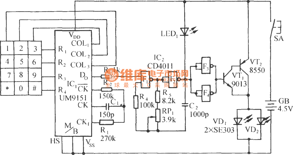
Published:2011/4/2 3:05:00 Author:Rebekka | Keyword: Pulse dialing ten roads , infrared remote control | From:SeekIC


Transmitter:
Decoding and control circuit to receive:
Reprinted Url Of This Article:
http://www.seekic.com/circuit_diagram/Automotive_Circuit/Pulse_dialing_ten_roads_infrared_remote_control_circuit_diagramUM9151-μPC1373.html
Print this Page | Comments | Reading(3)
Code: