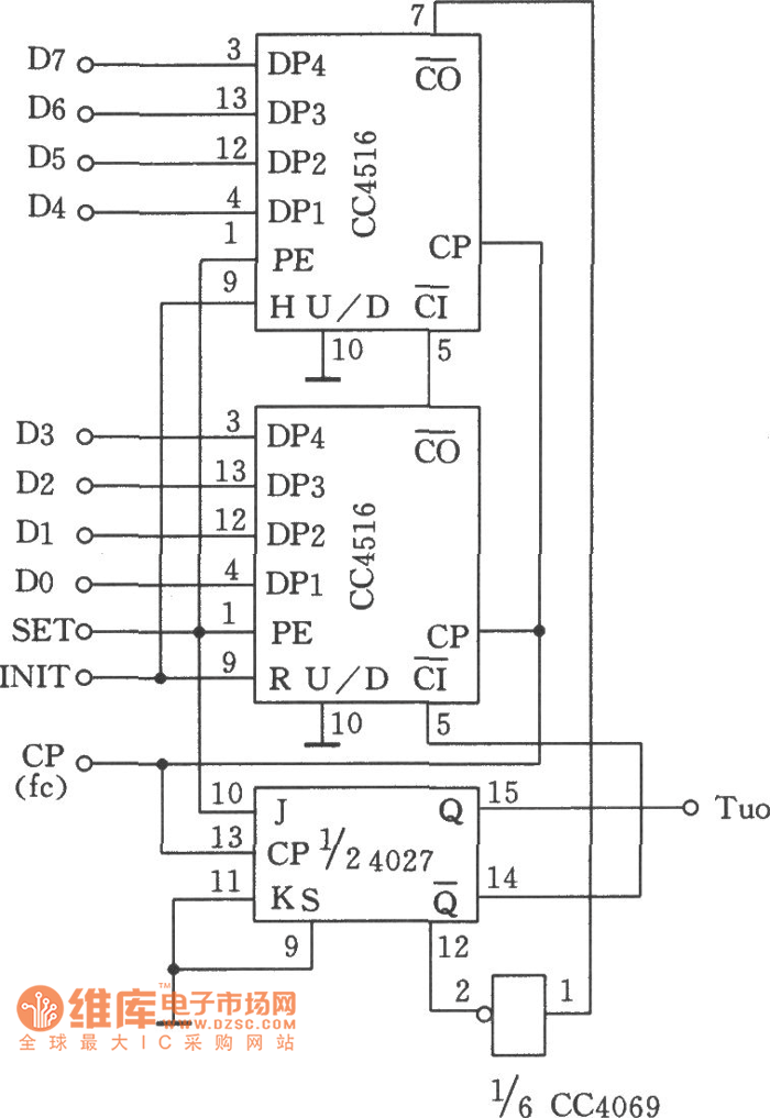
Published:2011/4/20 21:39:00 Author:Sue | Keyword: Pulse, Generator, Controlled Pulsewidth | From:SeekIC

Reprinted Url Of This Article:
http://www.seekic.com/circuit_diagram/Automotive_Circuit/Pulser_Generator_Circuit_Composed_of_CC4516_with_Controlled_Pulsewidth.html
Print this Page | Comments | Reading(3)
Code: