Published:2011/4/20 21:35:00 Author:Sue | Keyword: Quantitative, Pulse, Generator | From:SeekIC

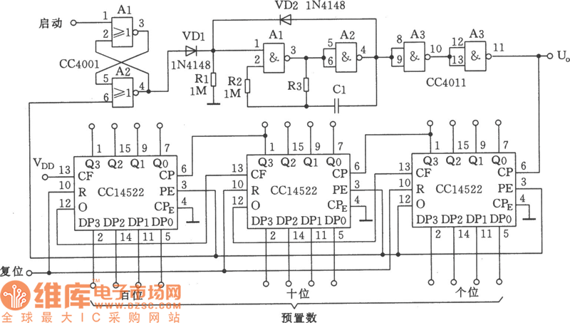
This circuit is mainly used to control the amount of rotation of step electric motors. The joint angle of a step electric motor is subject to the number of pulses input by the circular distributor. In this circuit, the quantitative pulses can be set to 999 at most in a random manner.
Reprinted Url Of This Article:
http://www.seekic.com/circuit_diagram/Automotive_Circuit/Quantitative_Pulse_Generator_Circuit.html
Print this Page | Comments | Reading(3)
Code: