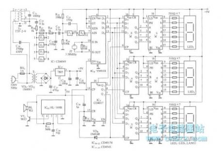
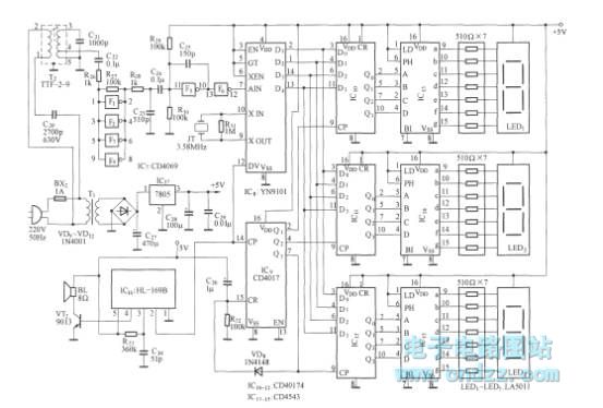
Published:2011/4/6 3:39:00 Author:Rebekka | Keyword: Receiver decoder and display | From:SeekIC

Reprinted Url Of This Article:
http://www.seekic.com/circuit_diagram/Automotive_Circuit/Receiver_decoder_and_display_circuit_diagram.html
Print this Page | Comments | Reading(3)
Code: