About SeekIC | Services | Payment | Advertisements service | Contact Us | Links
© 2008-2012 SeekIC.com Corp.All Rights Reserved.
Published:2011/6/4 11:04:00 Author:John | Keyword: ring counter, sequence pulse generator | From:SeekIC

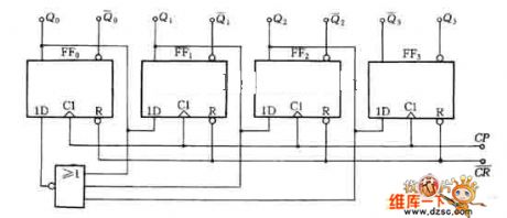
Ring counter sequence pulse generator circuit, just as shown in the figure, is a 4-output sequence pulse generator composed by a four-bit ring counter.
Reprinted Url Of This Article:
http://www.seekic.com/circuit_diagram/Automotive_Circuit/Ring_counter_sequence_pulse_generator_circuit.html
Print this Page | Comments | Reading(3)
Response in 12 hours
© 2008-2012 SeekIC.com Corp.All Rights Reserved.
Code: