Published:2011/4/21 21:41:00 Author:muriel | Keyword: SGMW Chevrolet(Spark), saloon car, automatic transmission | From:SeekIC

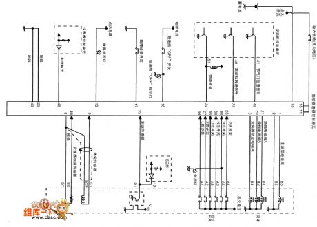
SGMW Chevrolet(Spark)saloon car automatic transmission circuit diagram
Reprinted Url Of This Article:
http://www.seekic.com/circuit_diagram/Automotive_Circuit/SGMW_Chevrolet(Spark)saloon_car_automatic_transmission_circuit_diagram.html
Print this Page | Comments | Reading(3)
Code: