Position: Home > Circuit Diagram > Automotive Circuit > SHANGHAI GM BUICK(Excelle)saloon car engine circuit diagram(four)

Automotive Circuit

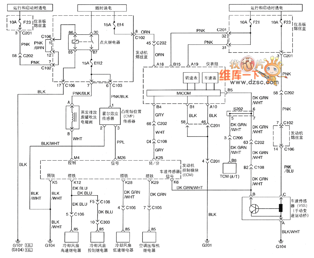
SHANGHAI GM BUICK(Excelle)saloon car engine circuit diagram(four)

Published:2011/4/17 21:46:00 Author:muriel | Keyword: SHANGHAI GM BUICK(Excelle), saloon car, engine | From:SeekIC

Print this Page | Comments | Reading(3)

To evaluate my
Code: