Published:2011/4/17 21:43:00 Author:muriel | Keyword: SHANGHAI GM BUICK(Excelle), saloon car , engine | From:SeekIC

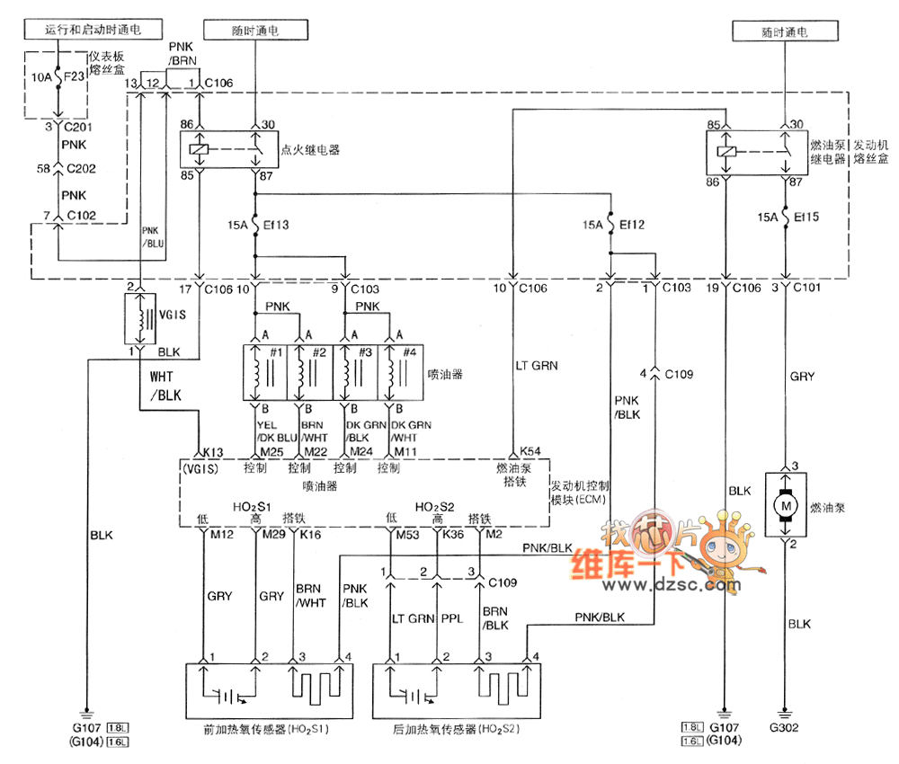
Figure SHANGHAI GM BUICK(Excelle)saloon car engine circuit diagram(two)
Reprinted Url Of This Article:
http://www.seekic.com/circuit_diagram/Automotive_Circuit/SHANGHAI_GM_BUICK(Excelle)saloon_car_engine_circuit_diagramtwo.html
Print this Page | Comments | Reading(3)
Code: