Published:2011/4/17 21:13:00 Author:muriel | Keyword: SHANGHAI GM BUICK(LaCROSSE), saloon car, instrument board | From:SeekIC

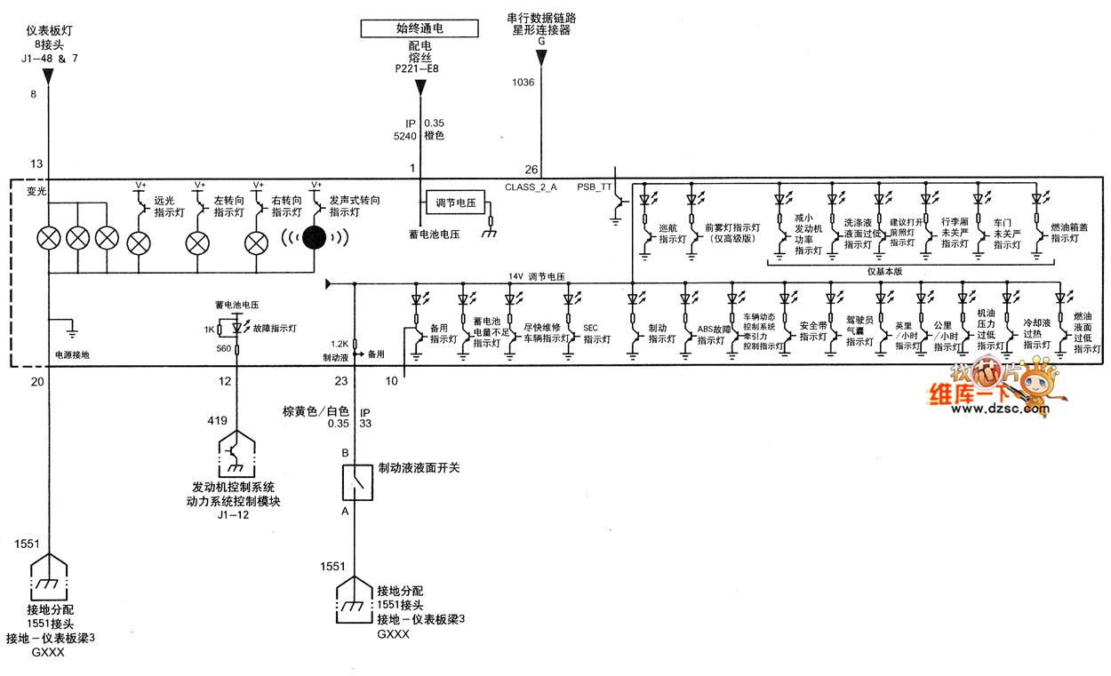
SHANGHAI GM BUICK(LaCROSSE) saloon car instrument board circuit diagram(one) is as shown
Reprinted Url Of This Article:
http://www.seekic.com/circuit_diagram/Automotive_Circuit/SHANGHAI_GM_BUICKLaCROSSE_saloon_car_instrument_board_circuit_diagramone.html
Print this Page | Comments | Reading(3)
Code: