Published:2011/4/21 21:08:00 Author:muriel | Keyword: SHANGHAI GM BUICK(Royaum) , saloon car , instrument | From:SeekIC

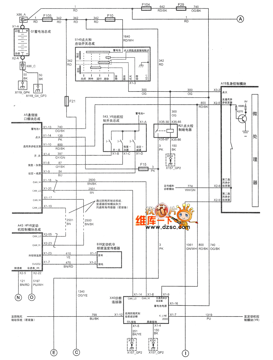
Figure SHANGHAI GM BUICK(Royaum) saloon car instrument circuit diagram(one)--V6
Reprinted Url Of This Article:
http://www.seekic.com/circuit_diagram/Automotive_Circuit/SHANGHAI_GM_BUICKRoyaum_saloon_car_instrument_circuit_diagramone.html
Print this Page | Comments | Reading(3)
Code: