Published:2011/4/21 21:14:00 Author:muriel | Keyword: SHANGHAI GM BUICK(Royaum) , saloon car, windshield wiper, scrubber | From:SeekIC

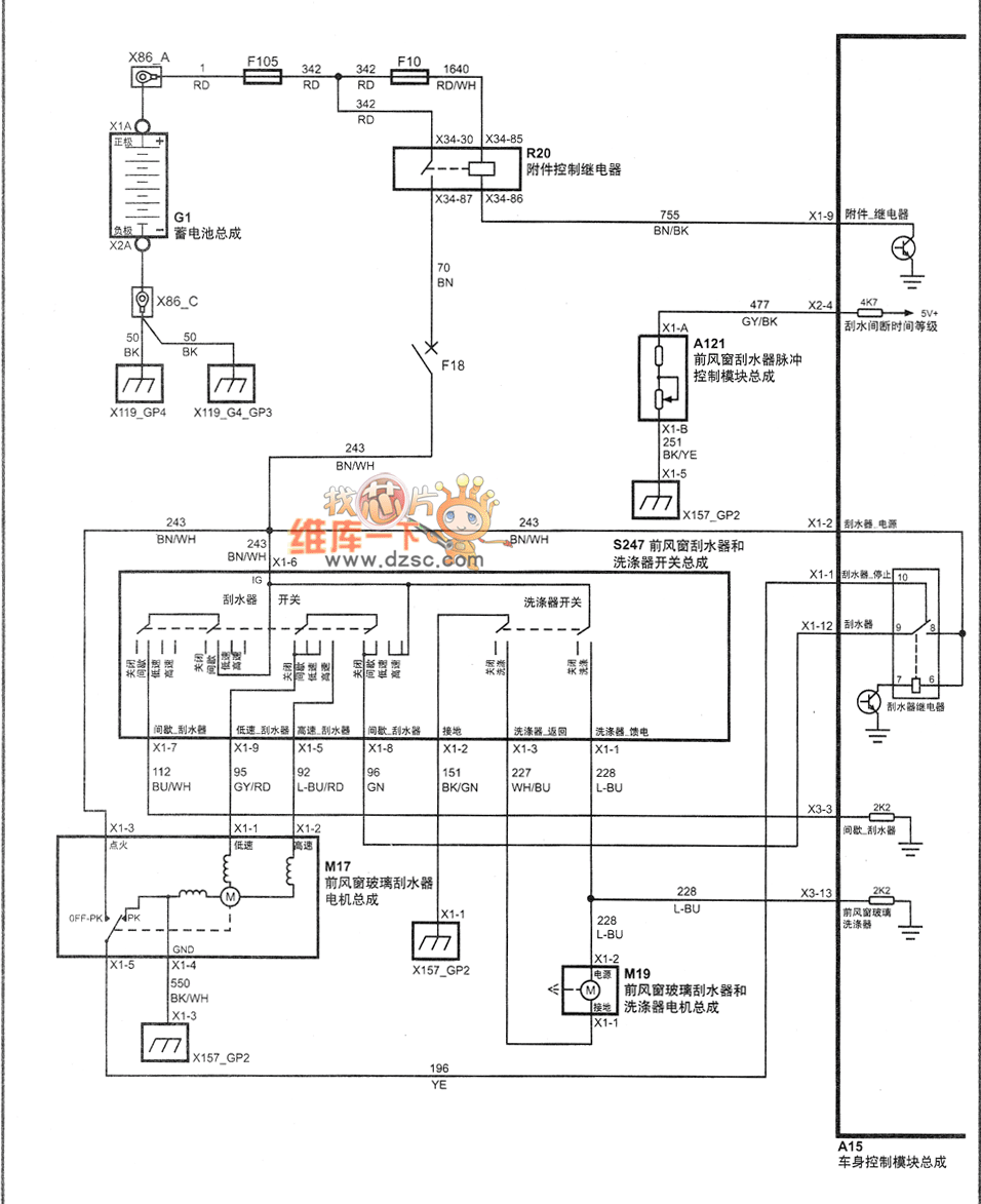
Figure SHANGHAI GM BUICK(Royaum) saloon car windshield wiper/scrubber circuit diagram
Reprinted Url Of This Article:
http://www.seekic.com/circuit_diagram/Automotive_Circuit/SHANGHAI_GM_BUICKRoyaum_saloon_car_windshield_wiper_scrubber_circuit_diagram.html
Print this Page | Comments | Reading(3)
Code: