Published:2011/4/20 20:32:00 Author:muriel | Keyword: SHANGHAI GM BUICK(Royaum), saloon car , vehicle control module | From:SeekIC

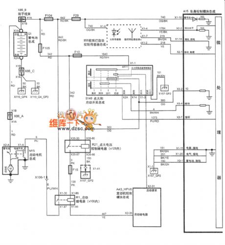
Figure SHANGHAI GM BUICK(Royaum)saloon car vehicle control module circuit diagram(one)--ignition key, receiving sensor, public power supply and earthing
Reprinted Url Of This Article:
http://www.seekic.com/circuit_diagram/Automotive_Circuit/SHANGHAI_GM_BUICK(Royaum)saloon_car_vehicle_control_module_circuit_diagramone.html
Print this Page | Comments | Reading(3)
Code: