Published:2011/4/20 20:26:00 Author:muriel | Keyword: SHANGHAI GM Chevrolet(Epica), saloon car, center gate lock | From:SeekIC

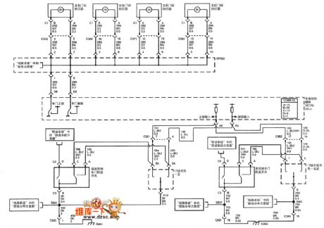
SHANGHAI GM Chevrolet(Epica)saloon car center gate lock circuit diagram
Reprinted Url Of This Article:
http://www.seekic.com/circuit_diagram/Automotive_Circuit/SHANGHAI_GM_Chevrolet(Epica)saloon_car_center_gate_lock_circuit_diagram.html
Print this Page | Comments | Reading(3)
Code: