Published:2011/4/21 21:37:00 Author:muriel | Keyword: SHANGHAI GM Chevrolet(Epica), saloon car , data transmission bus | From:SeekIC

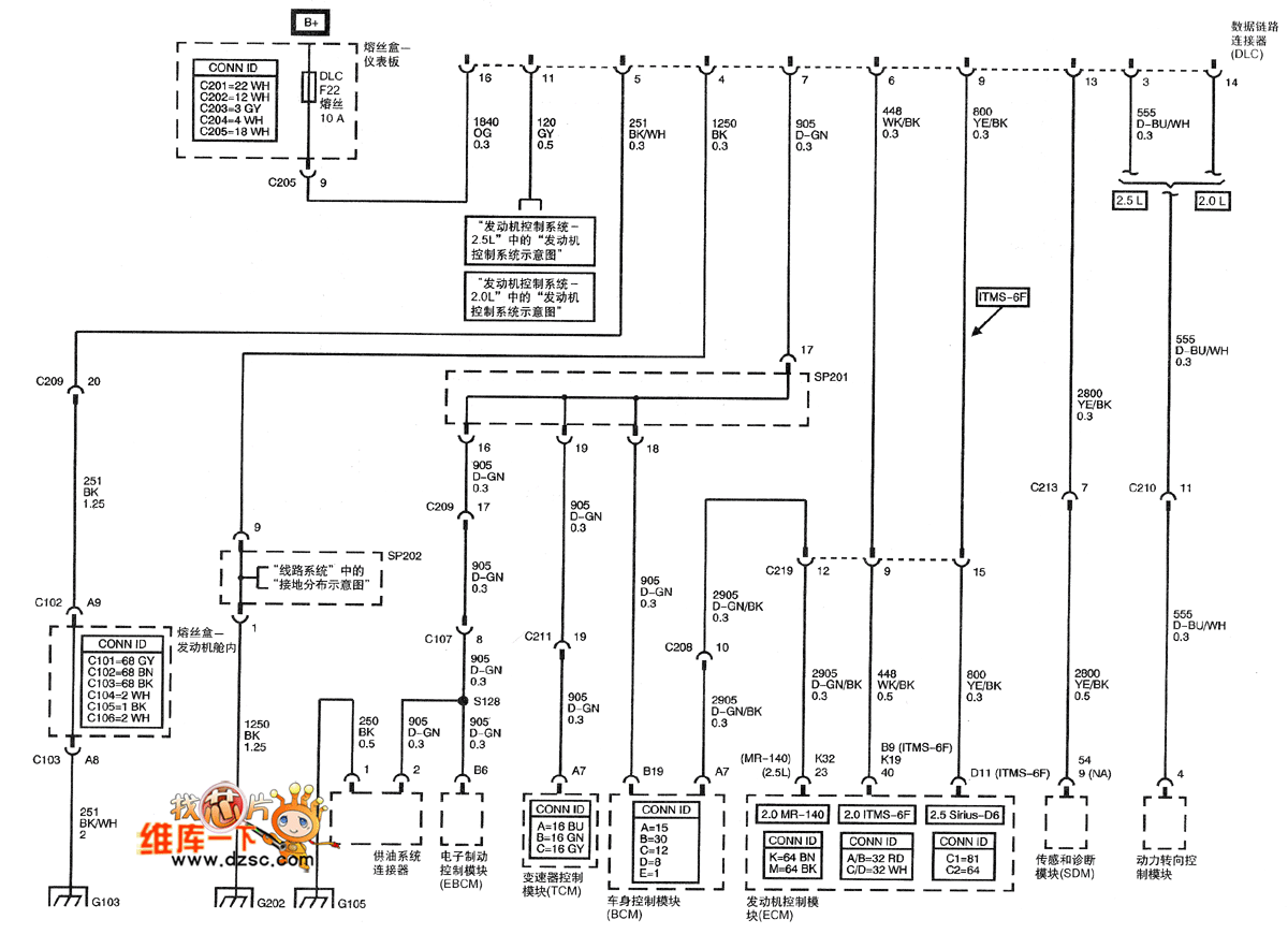
SHANGHAI GM Chevrolet(Epica)saloon car data transmission bus circuit diagram
Reprinted Url Of This Article:
http://www.seekic.com/circuit_diagram/Automotive_Circuit/SHANGHAI_GM_Chevrolet(Epica)saloon_car_data_transmission_bus_circuit_diagram.html
Print this Page | Comments | Reading(3)
Code: