Published:2011/4/20 20:24:00 Author:muriel | Keyword: SHANGHAI GM Chevrolet(Epica), saloon car , instrument board | From:SeekIC

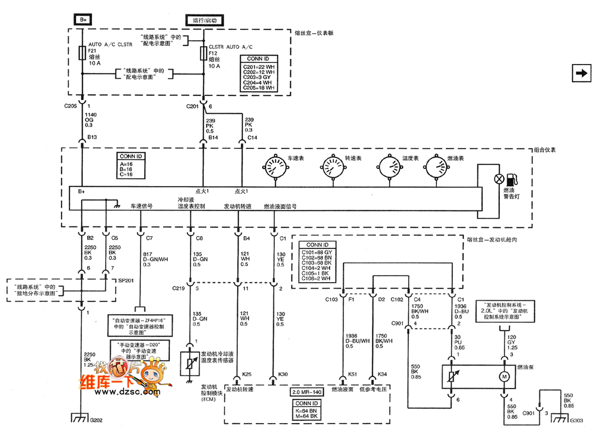
SHANGHAI GM Chevrolet(Epica)saloon car instrument board circuit diagram(one) MR140
Reprinted Url Of This Article:
http://www.seekic.com/circuit_diagram/Automotive_Circuit/SHANGHAI_GM_Chevrolet(Epica)saloon_car_instrument_board_circuit_diagramone_MR140.html
Print this Page | Comments | Reading(3)
Code: