Published:2011/4/20 21:13:00 Author:muriel | Keyword: SHANGHAI GM Chevrolet(Epica), saloon car , steering control system | From:SeekIC

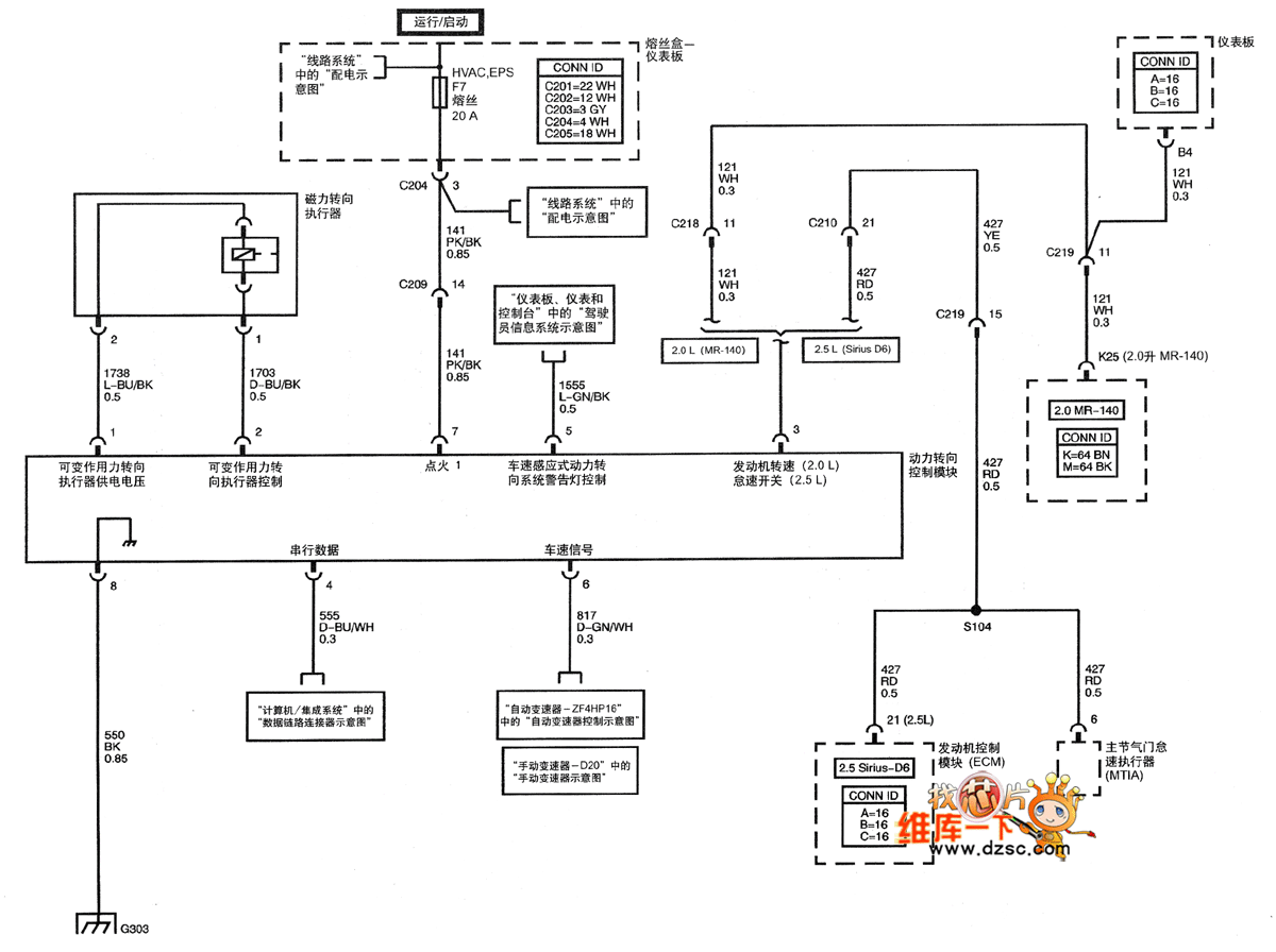
SHANGHAI GM Chevrolet(Epica)saloon car steering control system circuit diagram
Reprinted Url Of This Article:
http://www.seekic.com/circuit_diagram/Automotive_Circuit/SHANGHAI_GM_Chevrolet(Epica)saloon_car_steering_control_system_circuit_diagram.html
Print this Page | Comments | Reading(3)
Code: