Position: Home > Circuit Diagram > Automotive Circuit > SHANGHAI GM Chevrolet(Epica)saloon car supplementary restraint system circuit diagram(four)

Automotive Circuit

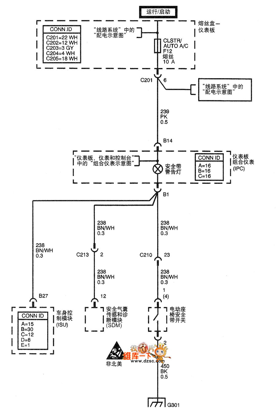
SHANGHAI GM Chevrolet(Epica)saloon car supplementary restraint system circuit diagram(four)

Published:2011/4/20 21:37:00 Author:muriel | Keyword: SHANGHAI GM Chevrolet(Epica), saloon car , supplementary restraint system | From:SeekIC

Print this Page | Comments | Reading(3)

To evaluate my
Code: