Published:2011/4/20 21:39:00 Author:muriel | Keyword: SHANGHAI GM Chevrolet(Epica), saloon car, supplementary restraint system | From:SeekIC

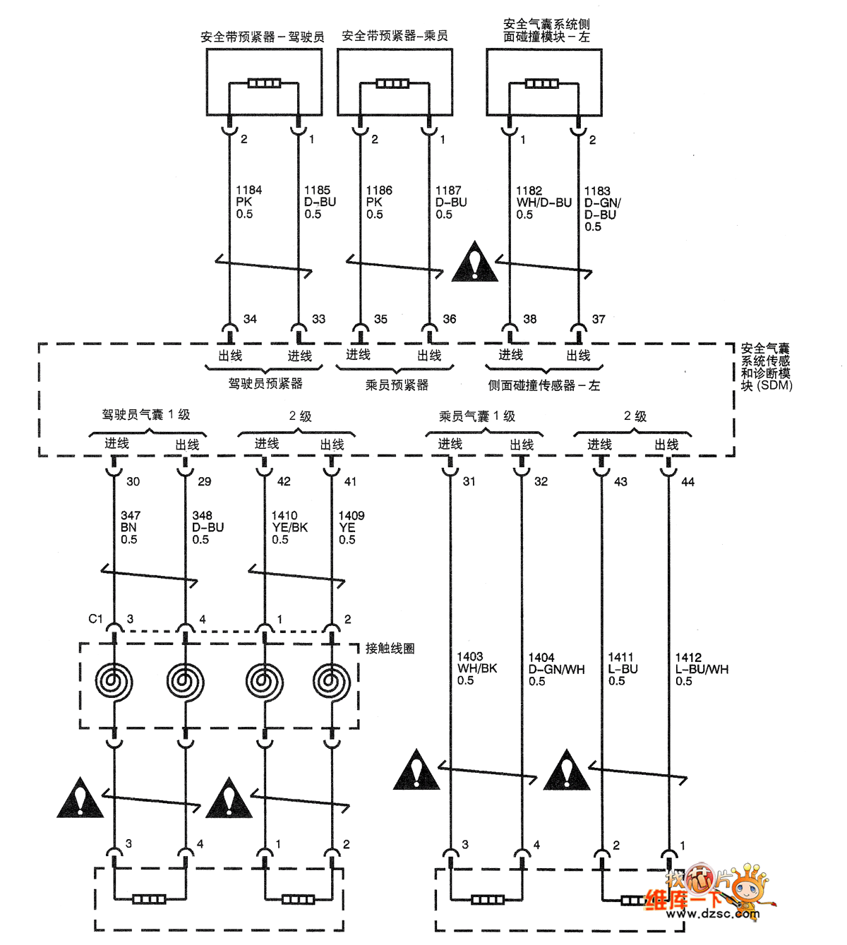
SHANGHAI GM Chevrolet(Epica)saloon car supplementary restraint system circuit diagram(two)
Reprinted Url Of This Article:
http://www.seekic.com/circuit_diagram/Automotive_Circuit/SHANGHAI_GM_Chevrolet(Epica)saloon_car_supplementary_restraint_system_circuit_diagramtwo.html
Print this Page | Comments | Reading(3)
Code: