Published:2011/4/21 20:22:00 Author:muriel | Keyword: SHANGHAI GM Chevrolet(Sail), saloon car, air condition system | From:SeekIC

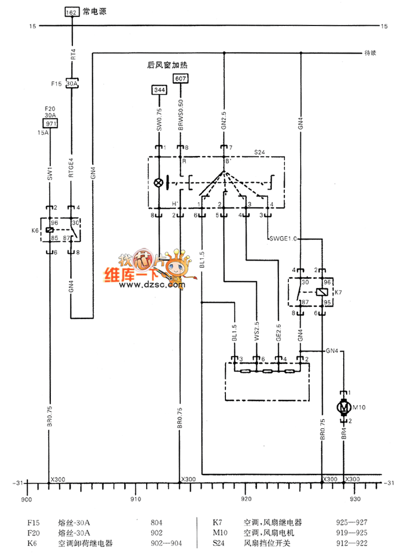
Figure SHANGHAI GM Chevrolet(Sail)saloon car air condition system circuit diagram(one)
F15 fuse wire-30A 804F20 fuse wire-30A 902K6 air condition unloading relay 902-904K7 air condition, fan relay 925-927M10 air condtion, fan motor 919-925S24 fan gear switch 912-922
Reprinted Url Of This Article:
http://www.seekic.com/circuit_diagram/Automotive_Circuit/SHANGHAI_GM_Chevrolet(Sail)saloon_car_air_condition_system_circuit_diagramone.html
Print this Page | Comments | Reading(3)
Code: