Published:2011/4/21 20:36:00 Author:muriel | Keyword: SHANGHAI GM Chevrolet(Sail), saloon car, automatic transmission | From:SeekIC

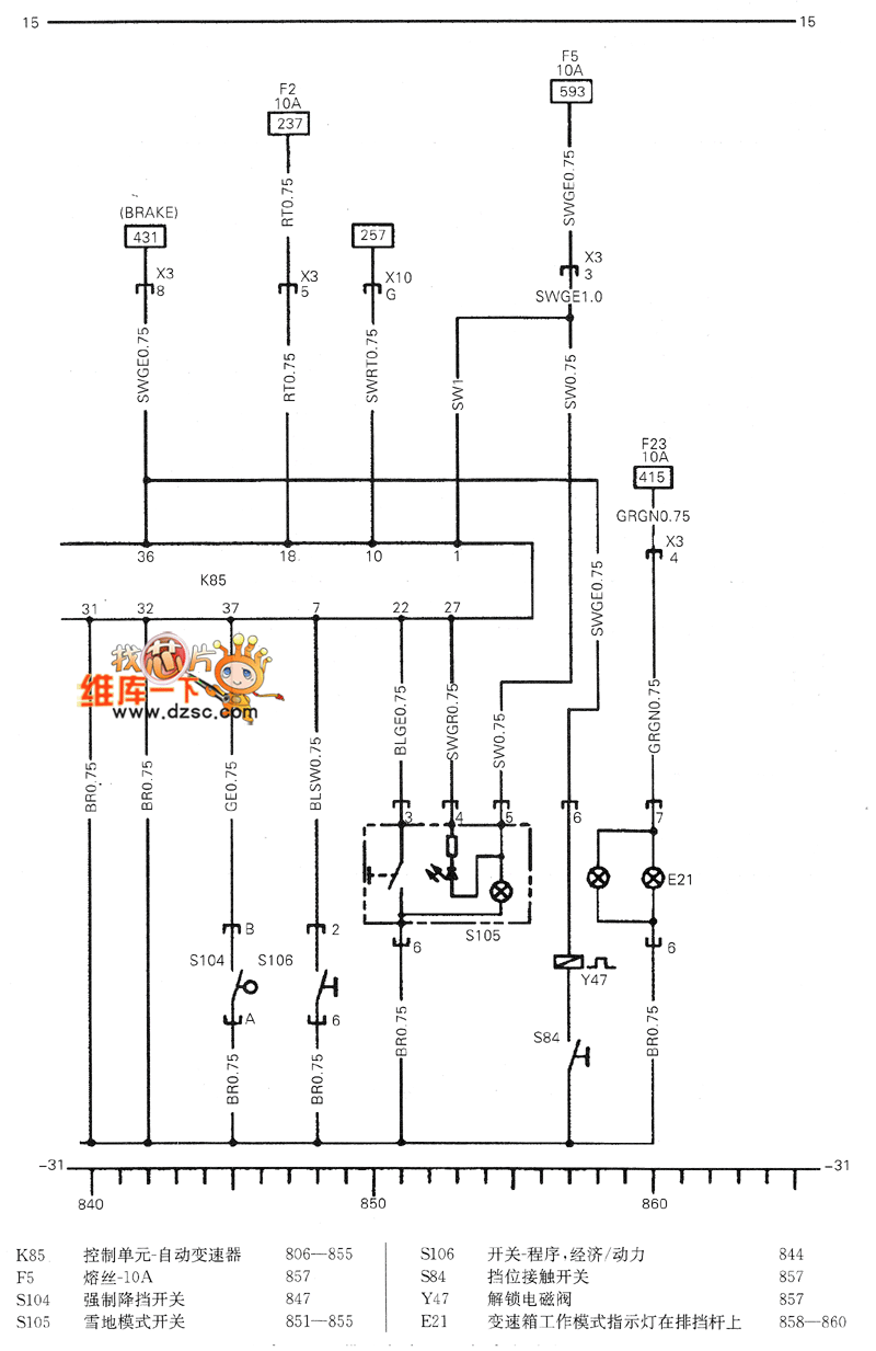
Figure SHANGHAI GM Chevrolet(Sail)saloon car automatic transmission circuit diagram(two)
K85 control unit-automatic transmission 806-855F5 fuse wire-10A 857S104 mandatory dropping gear switch 847S105 snow mode switch 851-855S106 switch-program, economy/dynamic 844S84 gear contact switch 857Y47 unlocking solenoid valve 857E21 speed changing box working mode signal light on the shift knob 857-860
Reprinted Url Of This Article:
http://www.seekic.com/circuit_diagram/Automotive_Circuit/SHANGHAI_GM_Chevrolet(Sail)saloon_car_automatic_transmission_circuit_diagramtwo.html
Print this Page | Comments | Reading(3)
Code: