Position: Home > Circuit Diagram > Automotive Circuit > >Index 19
Low Cost Custom Prototype PCB Manufacturer

Index 19



The multi-system counter composed of CD4017 and selective switch

Published:2011/8/13 0:29:00 Author:qqtang | Keyword: multi-system counter, selective switch

The multi-system counter composed of CD4017 and selective switch
  (View)

View full Circuit Diagram | Comments | Reading(1235)

The binary-coded decimal counter composed of CD4017

Published:2011/8/13 0:57:00 Author:qqtang | Keyword: binary-coded decimal, counter

The binary-coded decimal counter composed of CD4017
In the figure is a binary-coded decimal counter composed of 2 CD4017, one CD4066 and one CD4013, of which IC3 and IC4 are the counter, IC2 is used to connect the working power supply and counting pulse input circuit of IC3 and IC4, IC1 is used to control them. C1 and R2 compose the reset circuit of IC3 and the offset circuit of IC1. C2 and R3 compose the reset circuit of IC4. VD1 and VD2 are the divide diodes of the counter switch control circuit.   (View)

View full Circuit Diagram | Comments | Reading(1286)

The 1~17 system counter composed of CD4017 (2)

Published:2011/8/13 0:59:00 Author:qqtang | Keyword: counter, system

The 1~17 system counter composed of CD4017 (2)
  (View)

View full Circuit Diagram | Comments | Reading(919)

The 1~17 system counter composed of CD4017 (1)

Published:2011/8/13 1:12:00 Author:qqtang | Keyword: 1~17 system, counter

The 1~17 system counter composed of CD4017 (1)
The decimal counter is used most in people's daily life, but in some situations, counters of other system are needed. Here is to introduce a 1~17 system counter composed of the decimal counting integrated circuit CD4017, whose circuit is shown in the figure.   (View)

View full Circuit Diagram | Comments | Reading(773)

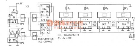
The winding machine electric counter with adding function (CD40110 and CD40106)

Published:2011/8/14 21:42:00 Author:qqtang | Keyword: winding machine, electric counter

The winding machine electric counter with adding function (CD40110 and CD40106)
The winding machine is a common tool in electrical industry, the traditional winding machine is counting by mechanism, as the reason of wear and tear, the precision can't be sure. If the photoelectric sensor is used as the counting trigger, due to its non-contact character and high sensibility, the precision can be improved largely. The counter also has adding function, so it is convenient to modify the error, the circuit is shown in the figure.   (View)

View full Circuit Diagram | Comments | Reading(3485)

The study code/roll code decoding ultra receiving module RM01

Published:2011/8/4 0:36:00 Author:Seven | Keyword: study code, roll code, ultra receiving module

The study code/roll code decoding ultra receiving module RM01
The introductions in detailWorking frequency: 315/433.92MhzWorking voltage:3~5VTransmitting frequency:4.8KbpsReceiving sensibility:-110db12mAmWorking current:12mAOutline size:43.2*15*5mmModulation method:ASK/AMWorking temperature:-20~+85℃ High anti-disturbance capability, long distance, high quality/price ability.It adopts the ultra external difference modulation method and roll/study code chip.It is used in the car remote control, GPS, GSM, industrial control, security industry and wireless product area.   (View)

View full Circuit Diagram | Comments | Reading(662)

RX02A72--the ultra regenerating receiver

Published:2011/8/4 0:26:00 Author:Seven | Keyword: ultra, regenerating, receiver


The features of the product:The RX02A72 ultra regenerating receiver characterizes simple circuit, PT2272 decoder, registering/locking high frequency output, good function, stability, low cost and so on, so it is widely used.Usage range:It is used in civilian used products, remote toys, car burglarproof alarm, wireless back-up radar, remote garage door, remote electric curtain door and window, collapsible door, remote sliding gate and wireless control.The compatible aerial: it is often made of the 50Ω single chip wire, the length of 315M is about 22cm, 433M is about 17cm.   (View)

View full Circuit Diagram | Comments | Reading(541)

The regulator: DC-DC circuit, power supply monitor pin and its main features LM109/209/309

Published:2011/8/24 22:32:00 Author:Seven | Keyword: DC-DC circuit, power supply, monitor pin

The regulator: DC-DC circuit, power supply monitor pin and its main features LM109/209/309
LM109/209/309--the 5V stabilizerThis is a stabilizer with fixed output voltage; the output voltage is 5V; the output current of TO-5 package is 200mA and that of TO-3 is 1A; the max input voltage is 35V; the working temperature of LM109 is -55~+150℃, and that of LM209 is -25~+150℃, LM309 is 0~+125℃; the contains the over-current limitation and over-heat cutoff circuit. The approximate types are μA109, μA209, μA309, SG109, SG209 and SG309.   (View)

View full Circuit Diagram | Comments | Reading(799)

The regulator: DC-DC circuit and power supply monitor pin and its main features HA16654PS

Published:2011/8/28 7:13:00 Author:Seven | Keyword: regulator, power supply, monitor pin

The regulator: DC-DC circuit and power supply monitor pin and its main features HA16654PS
HA16654PS—the switch regulator control circuitThis is a switch regulator control circuit; the output stage is a high-speed push-pull working totem pillar circuit; the max standby state current is 2mA; the working frequency range is 100~500kHz; the output pulse width control range is 0~80%; the static wide band can be set; the max input voltage is 40V; the max output current is 20mA(push-pull); the power consumption is 680Mw; the working temperature is -20~+85℃; it contains low input which is the anti-mistake, soft start and fast cutoff function.   (View)

View full Circuit Diagram | Comments | Reading(641)

The regulator: DC-DC circuit and power supply monitor pin and its main features DS2437

Published:2011/8/28 8:01:00 Author:Seven | Keyword: regulator, power supply, monitor pin

The regulator: DC-DC circuit and power supply monitor pin and its main features DS2437
DS2437—the intelligent cell monitorThe power supply voltage range is 2.7~10V; the working temperature range is -40~85℃. It has the sole 64-bit serial number; it contains the A/D converter which monitors the voltage of the cell, so the halt of charge and discharge can be sure; it has the binary real time clock; it has the 40-bit user storage; it is equipped with the single general line serial connector. The definition of the pins are as follows: VAD: A/D converter input; VSENS+: cell current monitor input(+); VSENS-: cell current monitor input(-); X1 and X2: the crystal oscillator (32.768kHz) access.   (View)

View full Circuit Diagram | Comments | Reading(582)

The regulator: DC-DC circuit, power supply monitor pin and its main features HA16664AFP/16664APS

Published:2011/8/24 22:40:00 Author:Seven | Keyword: DC-DC circuit, power supply, monitor pin

The regulator: DC-DC circuit, power supply monitor pin and its main features HA16664AFP/16664APS
HA16664AFP/16664APS--the switch stabilizer control circuitThis is a switch stabilizer control circuit; the output stage is the totem-pole circuit; the working power supply voltage range is 11~40V; the max standby state current is 2.0mA; the working frequency range is 100~200kHz; the output pulse width control range is 0~80%; the static width can be set; the dependence typical value of output conducting time on temperature is 220*10-6/℃; the max output current is 20mA; the max input current of RT terminal is 1mA; the working temperature is -20~85℃.   (View)

View full Circuit Diagram | Comments | Reading(692)

The regulator: DC-DC circuit, power supply monitor pin and its main features LM103

Published:2011/8/28 1:26:00 Author:Seven | Keyword: DC-DC circuit, power supply, monitor pin

The regulator: DC-DC circuit, power supply monitor pin and its main features LM103
LM103--the reference voltage diodeIt adopts with the reversed breakdown reference voltage of dula spreading transistor to break down the diode; the breakdown voltage range is 1.8~5.6V; the fault of the breakdown voltage is ±10%; the working voltage range is 10μA~10mA; when the inverting current is 2mA, the typical value of the working impedance is 5Ω; the max forward current is 20mA; the max backward current is 100mA; the power consumption is 250mA; the working temperature is -55~125℃.   (View)

View full Circuit Diagram | Comments | Reading(677)

The regulator: DC-DC circuit, power supply monitor pin and its main features LA5659

Published:2011/8/28 1:37:00 Author:Seven | Keyword: DC-DC circuit, power supply, monitor pin

The regulator: DC-DC circuit, power supply monitor pin and its main features LA5659
The LA5659 stabilizer (with additional output)This is a stabilizer whose additional output has a fixed output voltage; the output: 5V, 1A(the main output), 5V, 35mA; (additional output); the main output can be put through or cut off by the starting terminal with TTL or CMOS signal; the output voltage range is 7.4~20V; the power consumption is 1.75W; the working temperature is -30~+80℃; it contains the output short circuit(main or additional output), over-heat and secure working area (main output)protection.   (View)

View full Circuit Diagram | Comments | Reading(609)

The regulator: DC-DC circuit and power supply monitor pin and its main features ICL7660

Published:2011/8/28 7:01:00 Author:Seven | Keyword: regulator, power supply, monitor pin

The regulator: DC-DC circuit and power supply monitor pin and its main features ICL7660
The ICL7660 DC-DC converterIt is a CMOS DC-DC converter which generates the negative output whose value is equal to the positive input; it consists of the DC stabilizer, RC oscillator, voltage LEV converter, 4 MOS switches of the same functions and the logic net; its working power supply voltage range is 1.5~10V, when the power supply voltage is lower than 3.5V, the LV terminal is connected with the ground, and vice versa. When the power supply voltage is higher than 6.5V and the outside is 70~125℃, a diode should be set at the output terminal.   (View)

View full Circuit Diagram | Comments | Reading(792)

The regulator: DC-DC circuit and power supply monitor pin and its main features HA1835P

Published:2011/8/28 6:53:00 Author:Seven | Keyword: regulator, power supply, monitor pin

The regulator: DC-DC circuit and power supply monitor pin and its main features HA1835P
The TA1835P stabilizer (with reset function)This is a stabilizer with a fixed output voltage, which contains the monitor timer and power supply conducting reset circuit; the output voltage of the stabilizer is 5V, the working power supply voltage range 6.0~30V, it has the over-current protection; it has the monitor timer; it contains the pulse width test filter circuit; reset pulse generating oscillator; the positive-negative auto reset signal output can be selected; the working temperature is -40~+85℃.   (View)

View full Circuit Diagram | Comments | Reading(676)

The regulator: DC-DC circuit, power supply monitor pin and its main features HA17524

Published:2011/8/25 5:19:00 Author:Seven | Keyword: DC-DC circuit, power supply, monitor pin

The regulator: DC-DC circuit, power supply monitor pin and its main features HA17524
HA1752--the switch stabilizer control circuitThis is a switch stabilizer control circuit; its output stage can working in couple or singularity; the working frequency is 450kHz; when there is no load, the consuming current is 5mA; the max power supply current is 40V; the max collective electrode output current is 100mA; the power consumption is 600mW. The approximate type is SG3524.   (View)

View full Circuit Diagram | Comments | Reading(745)

The regulator: DC-DC circuit and power supply monitor pin and its main features DS1830

Published:2011/8/29 2:07:00 Author:Seven | Keyword: regulator, power supply, monitor pin

The regulator: DC-DC circuit and power supply monitor pin and its main features DS1830
The DS1830 programmable monitorThe working voltage is 2.7~4.75V; the 3 conditions of monitoring the microprocessor: power supply, software execution and external overload; the halt and restart failure microprocessor; It can restart the micro-processor automatically after the computer fault is gone; it has the external overload monitor key; the main function references are stored in the storage by the 3-line connector programme; the watch dog output time can be programmed from 25ms~12.5s, it can directly replace DS1232.   (View)

View full Circuit Diagram | Comments | Reading(582)

The regulator: DC-DC circuit, power supply monitor pin and its main features DS1259

Published:2011/8/29 2:23:00 Author:Seven | Keyword: DC-DC circuit, power supply, monitor pin

The regulator: DC-DC circuit, power supply monitor pin and its main features DS1259
Working voltage is 5.0V; the power supply fault signal can halt the processor, which can also fulfill the storage protection; the cell current is lower than 100nA; cell low-voltage alarm. The definitions of its main pins: VBAT: cell input; BF:cell fault output signal; BAT: the cell output; PF:power supply fault output signal. VCC0: RAM power supply voltage.   (View)

View full Circuit Diagram | Comments | Reading(575)

The regulator: DC-DC circuit, power supply monitor pin and its main features DS1238A

Published:2011/8/28 1:06:00 Author:Seven | Keyword: DC-DC circuit, power supply, monitor pin

The regulator: DC-DC circuit, power supply monitor pin and its main features DS1238A
DS1238A--the power supply managerThe working voltage is 5.0V; the working temperature range is -40~85℃; it has a halt and restart malfunction microprocessor; it can forecast the alarm when the danger is coming; it can convert SRAM into the non-easy losing storage, when the power supply fault is out the range, it will fulfill read and write protection non-conditionally; the cell current is lower than 200nA; it resets without shaking keys; the monitor precision is 10%Vcc; the DS1238-5 monitor precision is 5%Vcc; it can replace MAX691 directly.   (View)

View full Circuit Diagram | Comments | Reading(630)

The regulator: DC-DC circuit, power supply monitor pin and its main features DS1236

Published:2011/8/25 5:14:00 Author:Seven | Keyword: DC-DC circuit, power supply, monitor pin

The regulator: DC-DC circuit, power supply monitor pin and its main features DS1236
The DS1236 power supply controllerThe working voltage is 5.0V; the working temperature range is -40~85℃; it can halt or restart the malfunctioning microprocessor; it can be used in external overload key monitoring; when the power supply fault is approaching, it will send the forecast to the processor; it converts static RAM into non-easy-lost storage; when the power supply voltage fault is too large, it will fulfill writing protection unconditionally; the cell current is lower than 100nA; the monitor precision is 10%Vcc, the monitor precision of DS1236-5 is 5%/Vcc. The main pins are as follows:VBAT: the +3 battery voltage input; VCC0: the switch SRAM power supply output.   (View)

View full Circuit Diagram | Comments | Reading(659)

Pages:19/164 1234567891011121314151617181920Under 20