Published:2011/4/10 22:31:00 Author:muriel | Keyword: Santana, full Vehicle | From:SeekIC

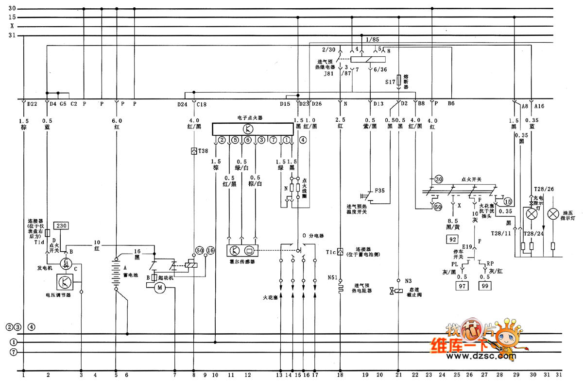
Santana full Vehicle circuit diagram as shown
Reprinted Url Of This Article:
http://www.seekic.com/circuit_diagram/Automotive_Circuit/Santana_full_Vehicle_circuit_diagram.html
Print this Page | Comments | Reading(3)
Code: