Published:2011/4/11 22:49:00 Author:muriel | Keyword: Santana , full vehicle | From:SeekIC

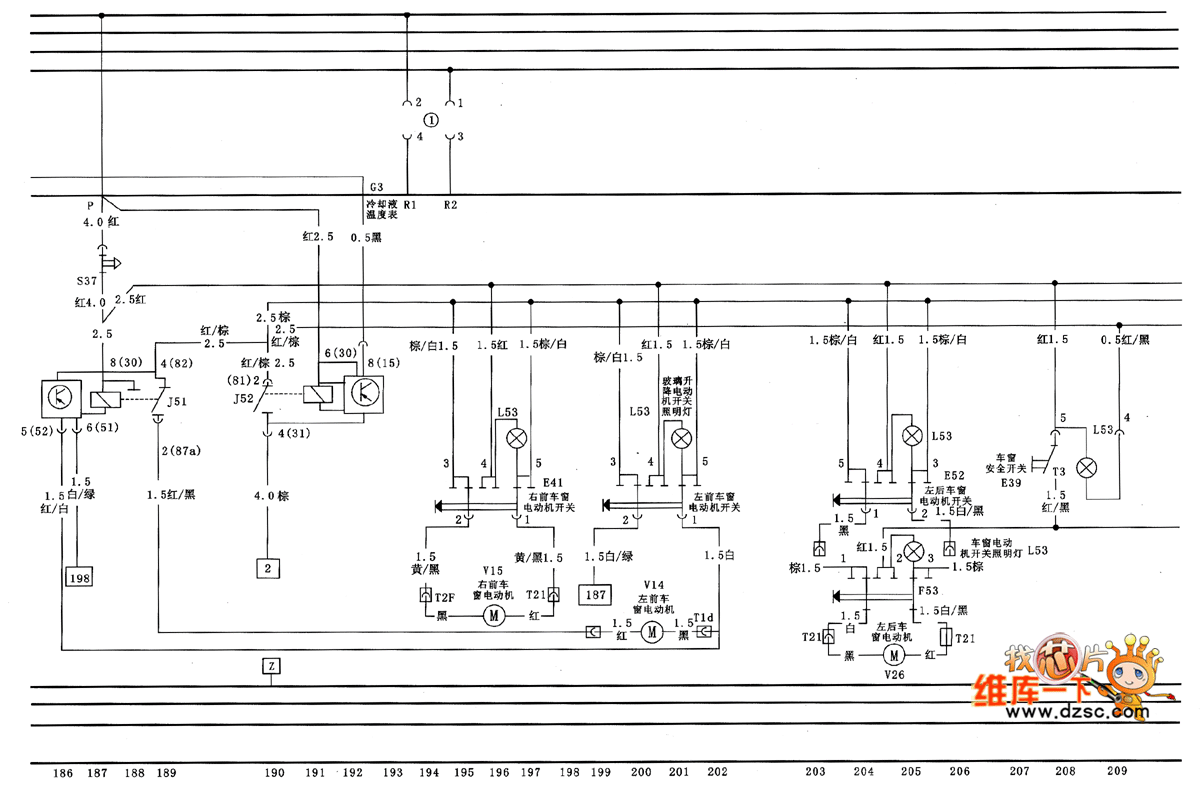
Santana full vehicle circuit diagram(seven) as shown
Reprinted Url Of This Article:
http://www.seekic.com/circuit_diagram/Automotive_Circuit/Santana_full_vehicle_circuit_diagramseven.html
Print this Page | Comments | Reading(3)
Code: