Published:2011/4/28 5:17:00 Author:Sue | Keyword: Separate-excited, Crossed, Multivibrator | From:SeekIC

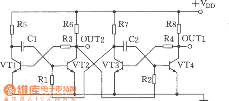
As seen in the figure is the separate-excited crossed multivibrator. It has 2 or 4 kinds of split-phase output waveforms, and can easily get split-phase square wave of 0°、-90°、-180° and 270°. It is simplified with good waveform output, and has no old design including dividing frequency, counting and coding circuit. It is applicablein circuit of phase generator, quad cycled colored lights controller and so on.
Reprinted Url Of This Article:
http://www.seekic.com/circuit_diagram/Automotive_Circuit/Separate_excited_Crossed_Multivibrator_Circuit.html
Print this Page | Comments | Reading(3)
Code: