Published:2011/7/10 7:29:00 Author:Sue | Keyword: Sewage Gas, Leakage, Alertor | From:SeekIC

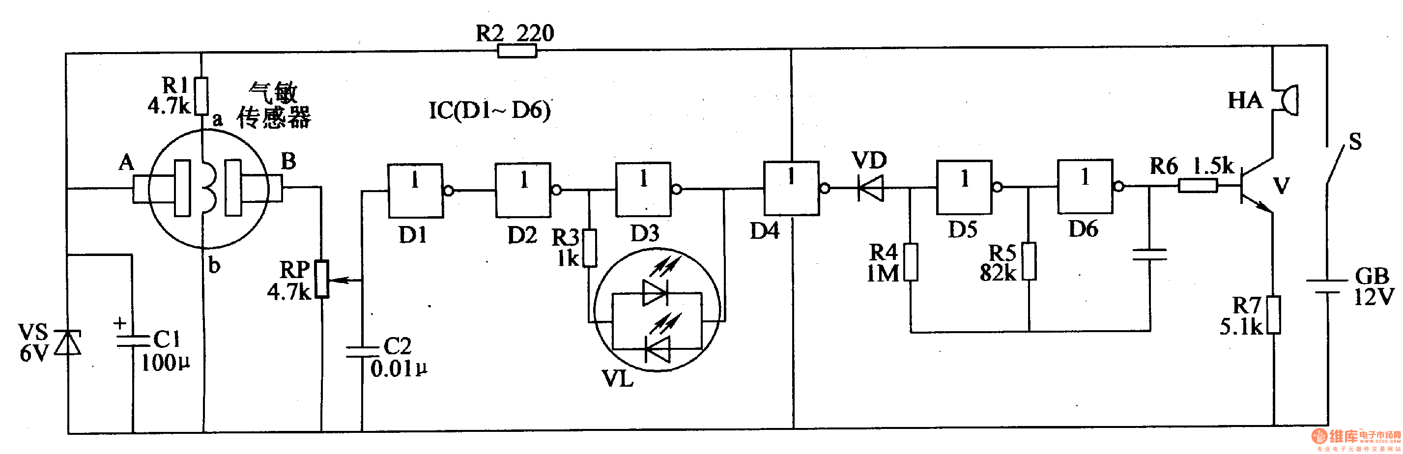
When there is combustible gas such as sewage gas, the gas sensor's electrode A and B will have a high resistance value. NOT GATE D1's and D3's input terminals both have low level and output terminals both have high level. VL will have green light. NOT GATE D4 outputs low level. VD is connected. The audio oscillator which consists of NOT GATE D5,D6 and R4,R5,C3 will not oscillate. HA makes no sound.
Whenthe gas sensor detectsa certain amount of sewage gas, the conducting inner resistor between A and B will become smaller which will make NOT GATE D1's and D3's input terminals have high level, and the output terminals have low level. VL will have red light. At the same time, NOT GATE D4 will output high level which will make VD disconnected. The audio oscillator will stop oscillating and will generate audio signal which will drive HA to make an alarm sound after the signal is amplified by V.
Reprinted Url Of This Article:
http://www.seekic.com/circuit_diagram/Automotive_Circuit/Sewage_Gas_Leakage_Alertor.html
Print this Page | Comments | Reading(3)
Code: