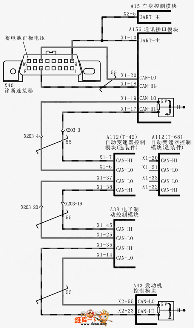
Published:2011/6/24 4:33:00 Author:Nicole | Keyword: Shanghai Buick Royaum, car, serial communication | From:SeekIC

Reprinted Url Of This Article:
http://www.seekic.com/circuit_diagram/Automotive_Circuit/Shanghai_Buick_Royaum_V636L_car_serial_communication_circuit_diagram.html
Print this Page | Comments | Reading(3)
Code: