Published:2011/4/19 1:06:00 Author:muriel | Keyword: Shanghai GM BUICK(LaCROSSE), saloon car, motor-driven seat | From:SeekIC

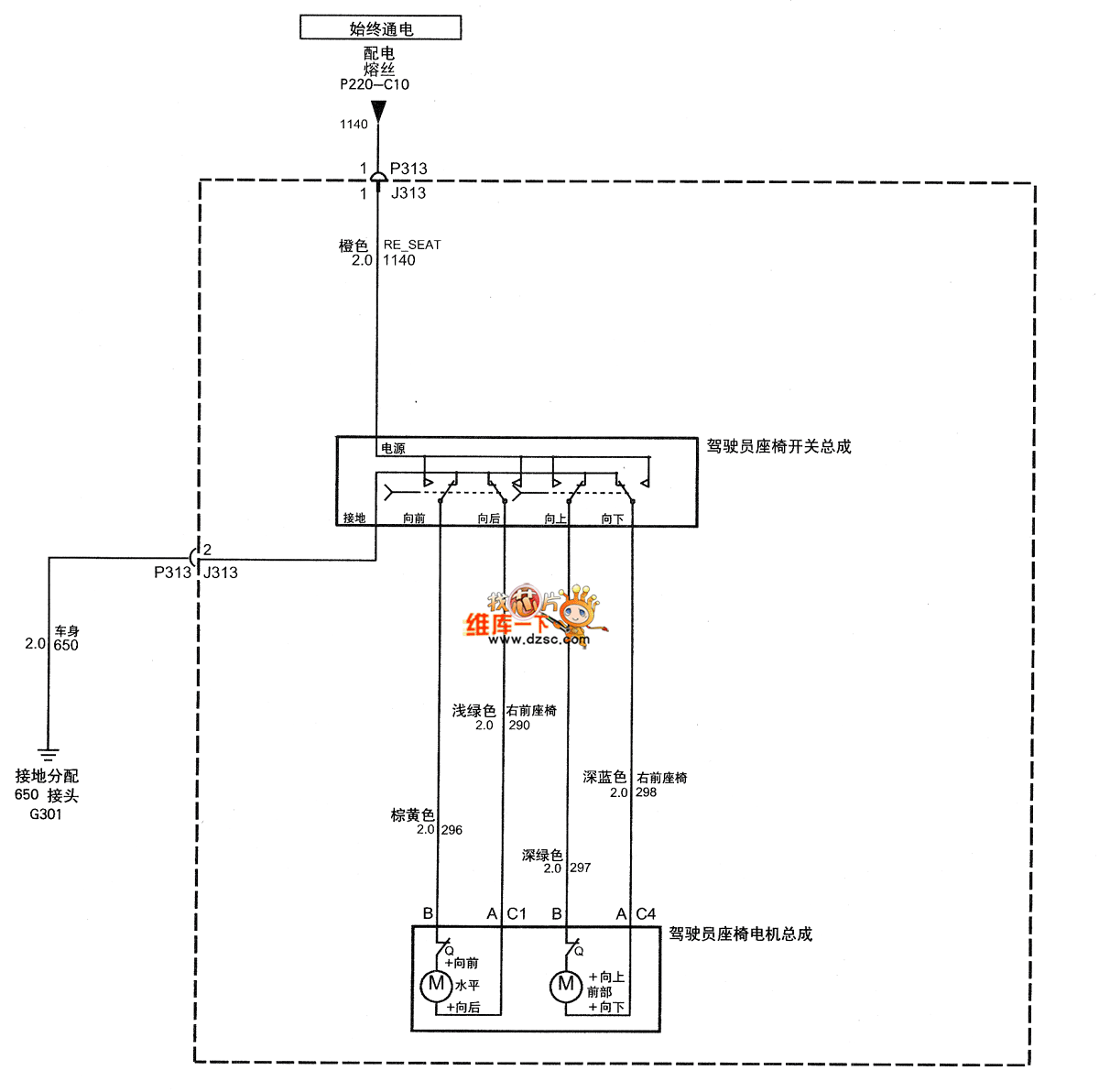
Shanghai GM BUICK(LaCROSSE)saloon car motor-driven seat circuit diagram is as shown
Reprinted Url Of This Article:
http://www.seekic.com/circuit_diagram/Automotive_Circuit/Shanghai_GM_BUICK(LaCROSSE)saloon_car_motor_driven_seat_circuit_diagramfive.html
Print this Page | Comments | Reading(3)
Code: