Published:2011/5/9 5:57:00 Author:Robert | Keyword: Shanghai GM, Buick, LaCROSSE, 2.4L Engine | From:SeekIC

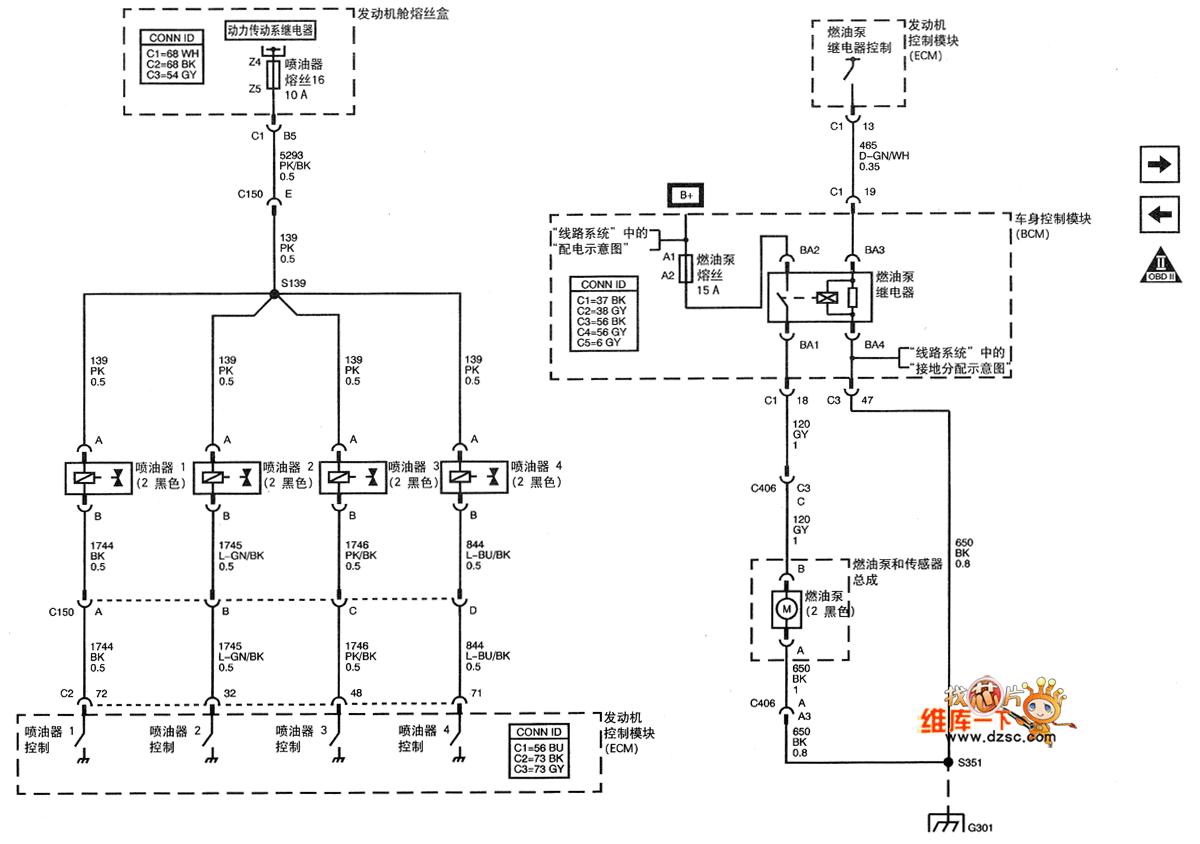
The Shanghai GM Buick LaCROSSE Car 2.4L Engine Circuit (8) is shown below.
Reprinted Url Of This Article:
http://www.seekic.com/circuit_diagram/Automotive_Circuit/Shanghai_GM_Buick_LaCROSSE_Car_24L_Engine_Circuit_8.html
Print this Page | Comments | Reading(3)
Code: