About SeekIC | Services | Payment | Advertisements service | Contact Us | Links
© 2008-2012 SeekIC.com Corp.All Rights Reserved.
Published:2011/3/31 1:03:00 Author:Joan | Keyword: Shanghai GM , Buick LaCrosse car , entertainment system | From:SeekIC

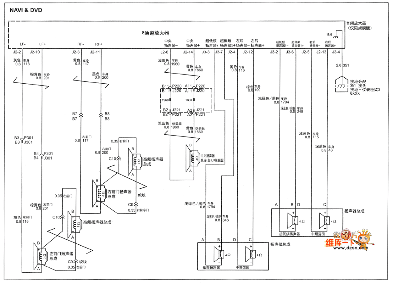
Below is Shanghai GM Buick LaCrosse car entertainment system schematic.
Reprinted Url Of This Article:
http://www.seekic.com/circuit_diagram/Automotive_Circuit/Shanghai_GM_Buick_LaCrosse_car_entertainment_system_schematic_4.html
Print this Page | Comments | Reading(3)
Response in 12 hours
© 2008-2012 SeekIC.com Corp.All Rights Reserved.
Code: