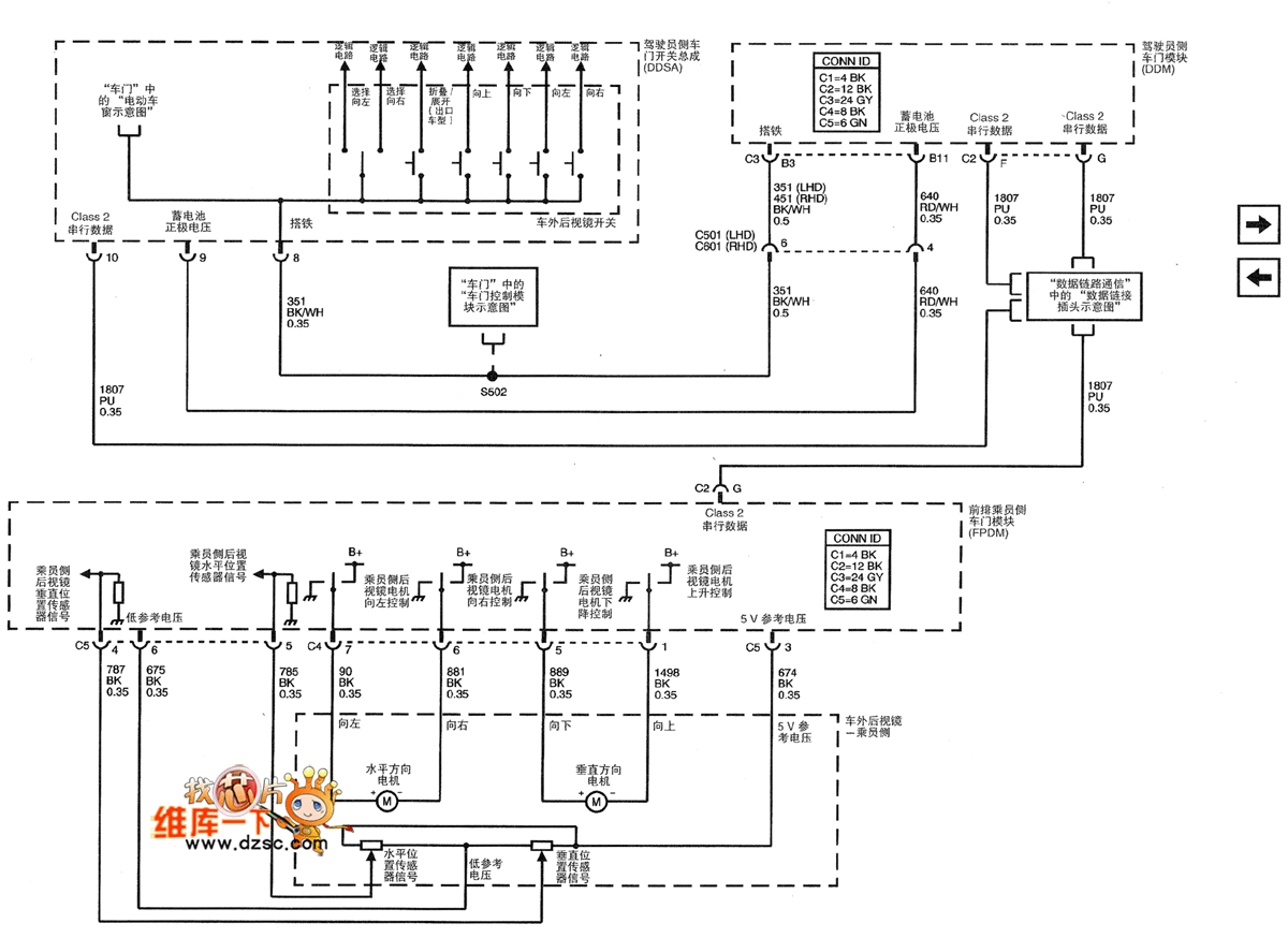
Published:2011/4/20 6:27:00 Author:Robert | Keyword: Shanghai GM, Cadillac, CTS, Rear-View Mirror | From:SeekIC

Reprinted Url Of This Article:
http://www.seekic.com/circuit_diagram/Automotive_Circuit/Shanghai_GM_Cadillac_CTS_Rear_View_Mirror_Circuit1.html
Print this Page | Comments | Reading(3)
Code: