Published:2011/4/1 1:09:00 Author:Joan | Keyword: Shanghai GM , Cadillac CTS car , vehicle navigation system | From:SeekIC

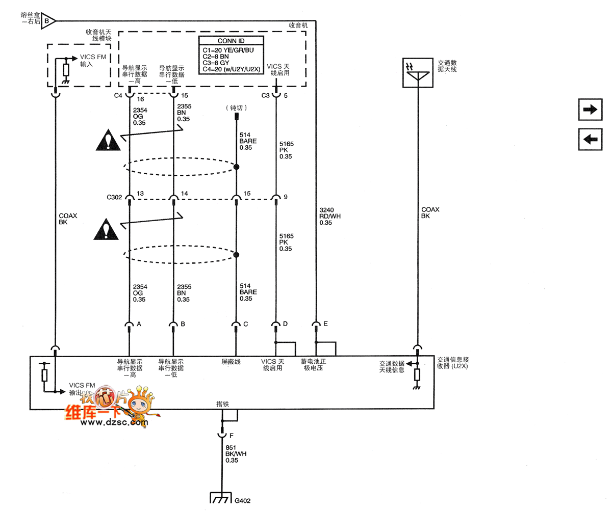
Shanghai GM Cadillac CTS car vehicle navigation system schematic (3)
Reprinted Url Of This Article:
http://www.seekic.com/circuit_diagram/Automotive_Circuit/Shanghai_GM_Cadillac_CTS_car_vehicle_navigation_system_schematic_3.html
Print this Page | Comments | Reading(3)
Code: