Published:2011/5/10 9:46:00 Author:Robert | Keyword: Shanghai GM, Chevrolet, Sail, External Lighting System | From:SeekIC

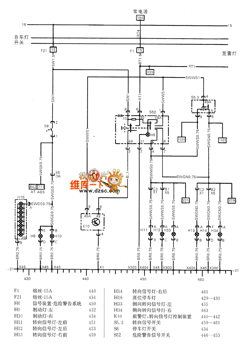
The Shanghai GM Chevrolet Sail Car External Lighting System Circuit (1) -- Turn light, turn signal anddanger warning light is shown below.
Reprinted Url Of This Article:
http://www.seekic.com/circuit_diagram/Automotive_Circuit/Shanghai_GM_Chevrolet_Sail_Car_External_Lighting_System_Circuit_1.html
Print this Page | Comments | Reading(3)
Code: