Published:2011/5/11 6:20:00 Author:Robert | Keyword: Shanghai GM, Wuling, Chevrolet, Spark, Dashboard | From:SeekIC

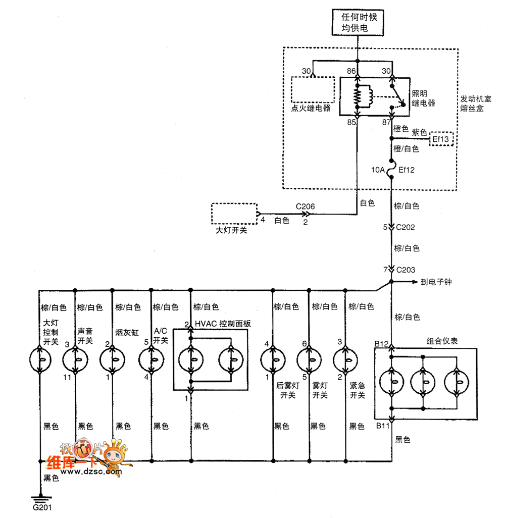
The Shanghai GM Wuling Chevrolet Spark Car Dashboard Circuit (1) is shown below.
Reprinted Url Of This Article:
http://www.seekic.com/circuit_diagram/Automotive_Circuit/Shanghai_GM_Wuling_Chevrolet_Spark_Car_Dashboard_Circuit_1.html
Print this Page | Comments | Reading(3)
Code: