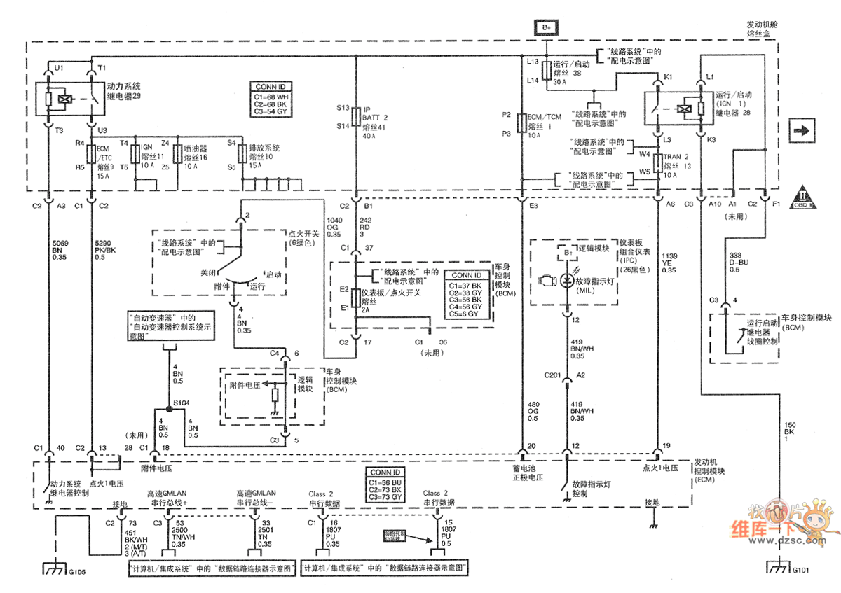
Published:2011/4/20 2:15:00 Author:Robert | Keyword: Shanghai General, Buick, LaCROSSE, 3.0L Engine | From:SeekIC

Reprinted Url Of This Article:
http://www.seekic.com/circuit_diagram/Automotive_Circuit/Shanghai_General_Buick_LaCROSSE_Car_30L_Engine_Circuit_12.html
Print this Page | Comments | Reading(3)
Code: