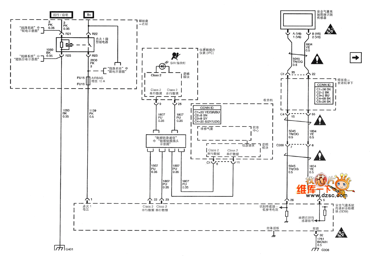
Published:2011/4/20 5:58:00 Author:Robert | Keyword: Shanghai General Cadillac, CTS, Security Aerocyst | From:SeekIC


Reprinted Url Of This Article:
http://www.seekic.com/circuit_diagram/Automotive_Circuit/Shanghai_General_Cadillac_CTS_Car_Security_Aerocyst_Circuit_II.html
Print this Page | Comments | Reading(3)
Code: