Published:2011/4/17 20:52:00 Author:muriel | Keyword: Shanghai gm Chevrolet(Epica), saloon car, 2.0L engine | From:SeekIC

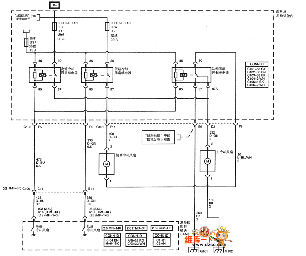
Shanghai gm Chevrolet(Epica)saloon car 2.0L engine circuit diagram(nine) is as shown
Reprinted Url Of This Article:
http://www.seekic.com/circuit_diagram/Automotive_Circuit/Shanghai_gm_Chevrolet(Epica)saloon_car_20L_engine_circuit_diagramnine.html
Print this Page | Comments | Reading(3)
Code: