Published:2011/4/20 21:33:00 Author:Sue | Keyword: Simplified, Multi-Resonant, Generator | From:SeekIC

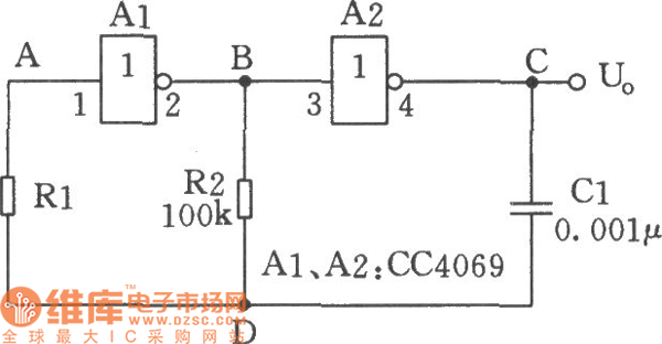
As seen in the figure is the circuit of simplified multi-resonant generator composed of CC4069 inverters. This circuit applies to the low frequency clock oscillatory circuit with less focus on frequency stability and accuracy.
Reprinted Url Of This Article:
http://www.seekic.com/circuit_diagram/Automotive_Circuit/Simplified_Multi_Resonant_Generator_Circuit.html
Print this Page | Comments | Reading(3)
Code: