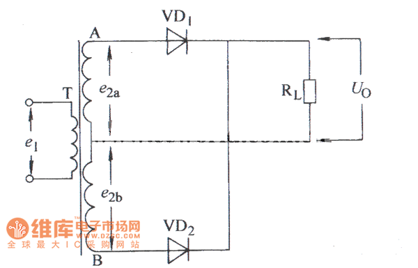
Published:2014/2/9 21:10:00 Author: | Keyword: Single-phase full wave resistance load rectifier circuit diagram, | From:SeekIC

Reprinted Url Of This Article:
http://www.seekic.com/circuit_diagram/Automotive_Circuit/Single_phase_full_wave_resistance_load_rectifier_circuit_diagram.html
Print this Page | Comments | Reading(3)
Code: