Published:2011/6/19 21:16:00 Author:qqtang | Keyword: clock mixer | From:SeekIC

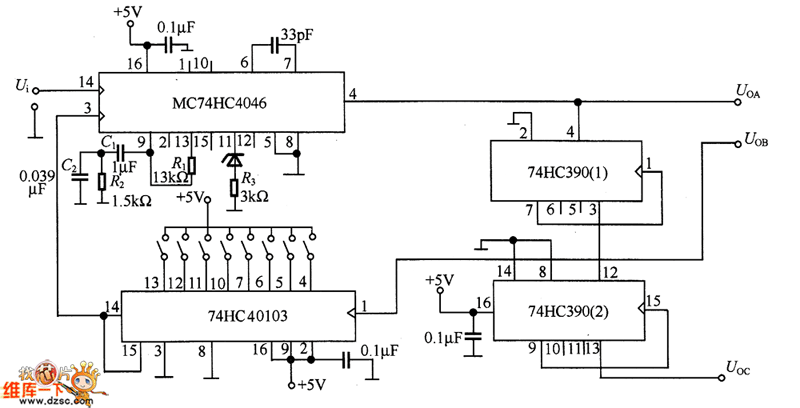
In Figure 6-3 is the 50~102.4MHz clock mixer circuit. The adjusted frequency range of the circuit is about twice, when the frequency under 50MHz is needed, the input frequency can be split by the spliter. The input Ui frequency is 25KHz, UoA outputs the 50~102.4 MHz signals whose resolution ratio is 400KHz. As the frequency is high, the wires between 3-pin of TLC2933(2)and the 1-pin of 74AC393 would better be short.
Reprinted Url Of This Article:
http://www.seekic.com/circuit_diagram/Automotive_Circuit/The_50~1024MHz_clock_mixer_circuit.html
Print this Page | Comments | Reading(3)
Code: