Published:2011/6/19 20:07:00 Author:qqtang | Keyword: time based, signal generator | From:SeekIC

Reprinted Url Of This Article:
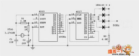
http://www.seekic.com/circuit_diagram/Automotive_Circuit/The_50Hz_time_based_signal_generator_circuit.html
Print this Page | Comments | Reading(3)
Code: