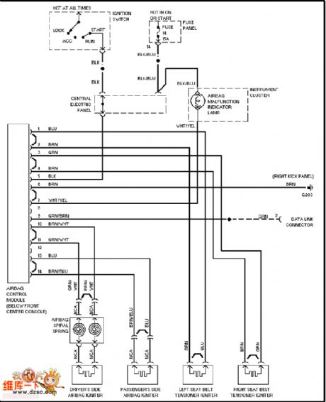
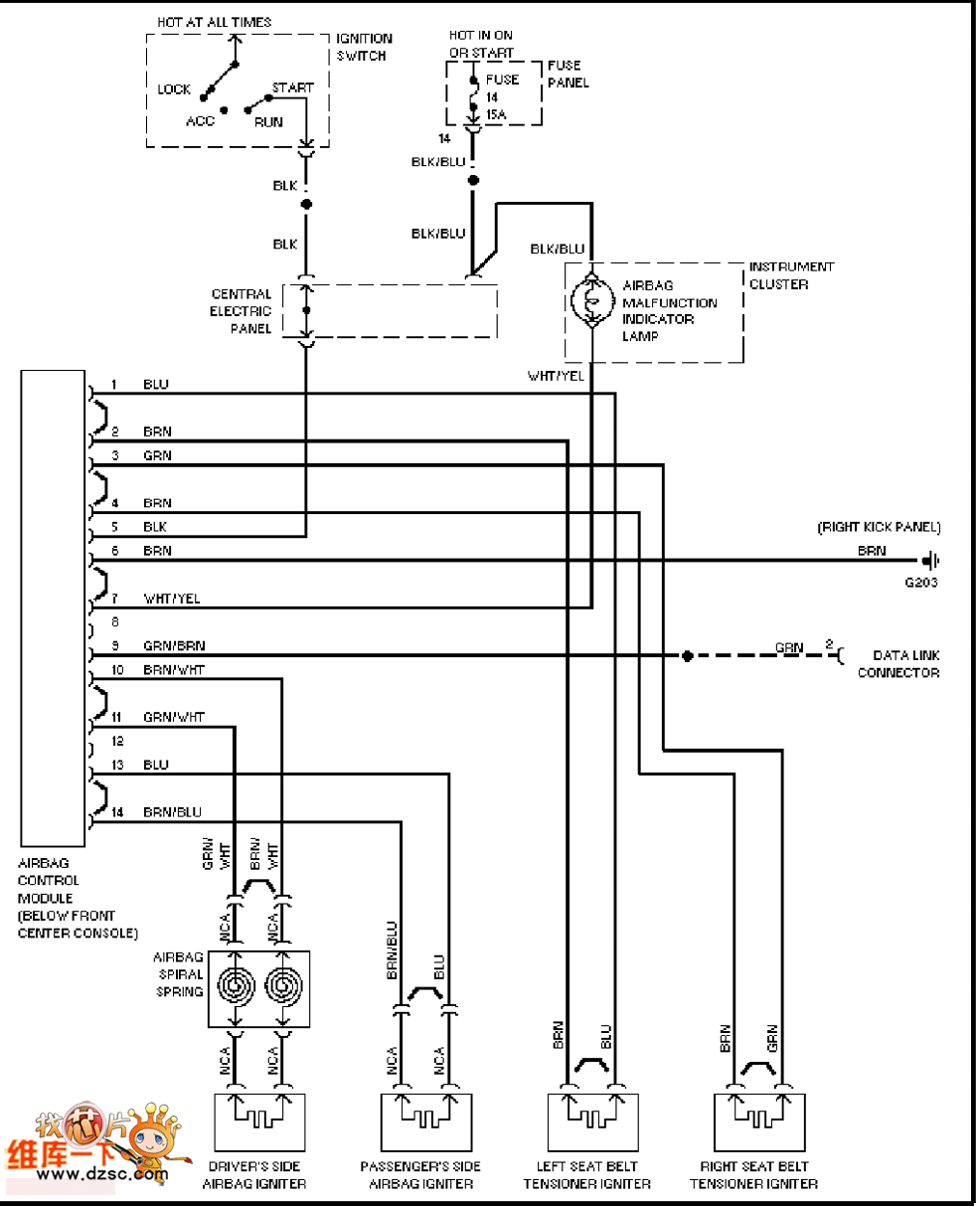
Published:2011/6/28 21:30:00 Author:qqtang | Keyword: Audi, air bag | From:SeekIC


Reprinted Url Of This Article:
http://www.seekic.com/circuit_diagram/Automotive_Circuit/The_Audi_air_bag_circuit.html
Print this Page | Comments | Reading(3)
Code: