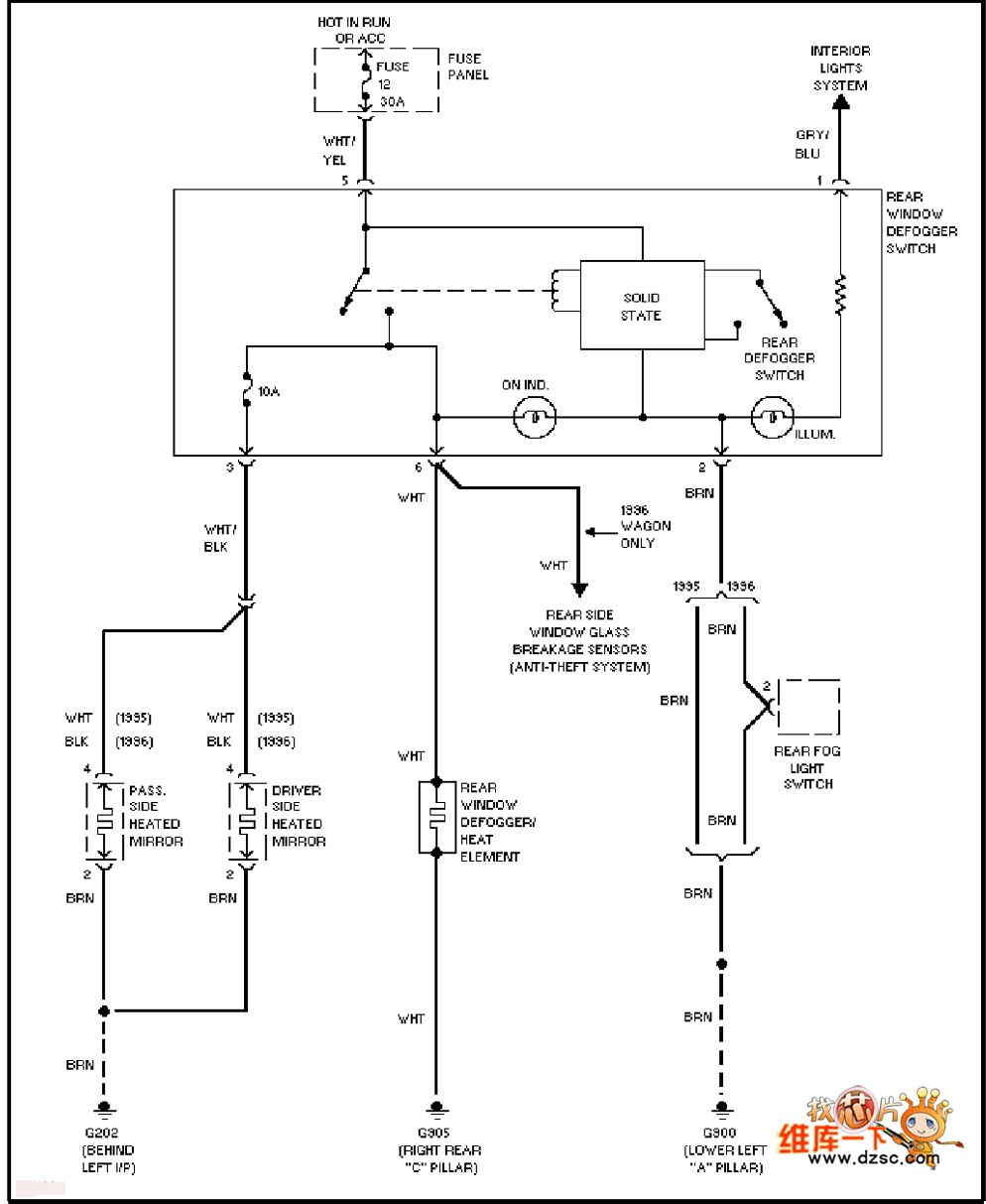
Published:2011/6/28 21:41:00 Author:qqtang | Keyword: Audi, non-aerial amplifier, defroster | From:SeekIC

Reprinted Url Of This Article:
http://www.seekic.com/circuit_diagram/Automotive_Circuit/The_Audi_non_aerial_amplifier__defroster_circuit.html
Print this Page | Comments | Reading(3)
Code: