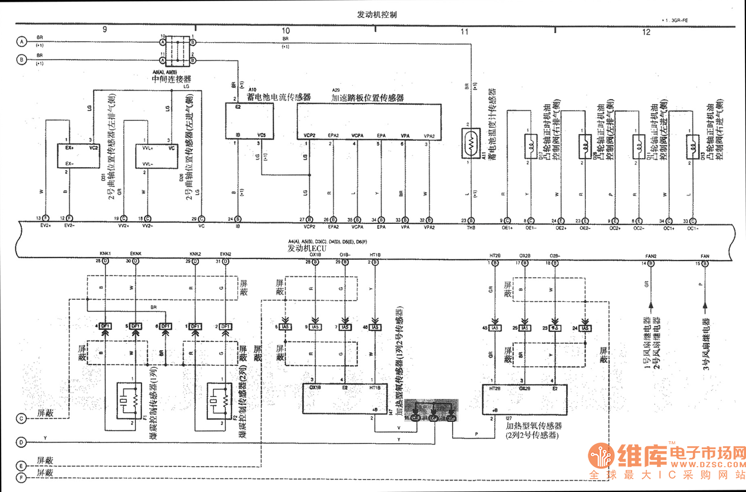
Published:2011/6/9 0:16:00 Author:Seven | Keyword: Toyota-Reiz, engine control | From:SeekIC

Reprinted Url Of This Article:
http://www.seekic.com/circuit_diagram/Automotive_Circuit/The_FAW_Toyota_Reiz_engine_control_diagram_2.html
Print this Page | Comments | Reading(3)
Code: