Published:2011/6/20 9:39:00 Author:Seven | Keyword: FM demodulation | From:SeekIC

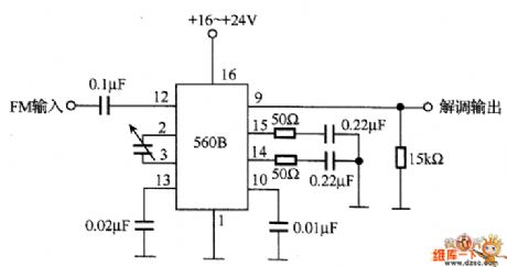
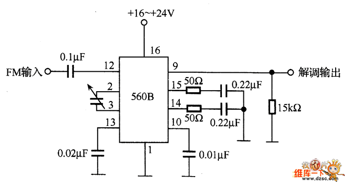
In the figure is the FM demodulation circuit instance, which converts the FM central frequency(10.7 MHz) into the low-frequency signal with 560B. The 560B chip contains the phase comparator, amplifier and voltage control oscillator. When the voltage control oscillator is synchronized with the input signal, the circuit engages in FM demodulation by using the character that the control voltage is proportional to the input signal frequency. When the maximum bias frequency is 75KHz from the central frequency of 10.7MHz, the low-frequency voltage peak value of the corresponding FM wave is 0.21v.
Reprinted Url Of This Article:
http://www.seekic.com/circuit_diagram/Automotive_Circuit/The_FM_demodulation_circuit.html
Print this Page | Comments | Reading(3)
Code: