Published:2011/6/9 0:18:00 Author:Seven | Keyword: Toyota-Reiz, cooling fan | From:SeekIC

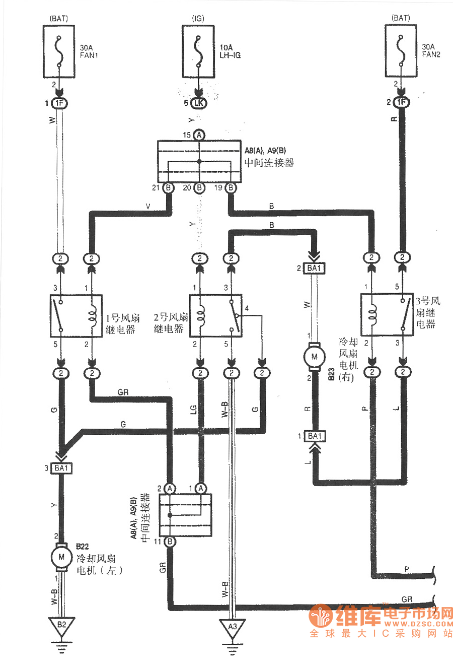
See as the figure. The Faw Toyota-Reiz cooling fan diagram
Reprinted Url Of This Article:
http://www.seekic.com/circuit_diagram/Automotive_Circuit/The_Faw_Toyota_Reiz_cooling_fan_diagram.html
Print this Page | Comments | Reading(3)
Code: