Published:2011/6/30 20:20:00 Author:qqtang | Keyword: Guangzhou-Honda, instrument system | From:SeekIC

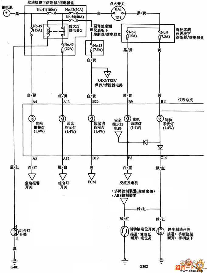
The Guangzhou-Honda instrument system circuit is shown in the figure.
Reprinted Url Of This Article:
http://www.seekic.com/circuit_diagram/Automotive_Circuit/The_Guangzhou_Honda_instrument_system_circuit.html
Print this Page | Comments | Reading(3)
Code: